Sign In | Join Free | My polstate.com
China Guangzhou Seric Hydraulic Co., Ltd. logo
Guangzhou Seric Hydraulic Co., Ltd.
Verified Supplier

1 Years

Home > Hydraulic Modular Valve >

01 Series Modular Throttle Check Valve Hydraulic MSA-01 MSB-01 MSW-01

Guangzhou Seric Hydraulic Co., Ltd.
Trust Seal
Verified Supplier
Credit Check
Supplier Assessment
Contact Now

01 Series Modular Throttle Check Valve Hydraulic MSA-01 MSB-01 MSW-01

  • 1
  • 2
  • 3

Brand Name : Seric

Model Number : 01 Series

Certification : CE, ISO

Place of Origin : Guangzhou, China

MOQ : 1 Piece

Price : Negotiable

Payment Terms : T/T,L/C,Western Union

Supply Ability : 5000

Delivery Time : 1-15 days

Packaging Details : Carton Box/Wooden Case

After Warranty Service : Online Support

OEM : Accept

Condition : 100% Brand-new

Quality : High-Quality

Application : Industrial Machinery

Selling Units : Single item

Contact Now

01 Series Throttle and Check Valves MSA-01 MSB-01 MSW-01

Features

The modular valves are functional elements with which a hydraulic system can be composed and built easily by stacking them with the mounting bolts. Therefore, no piping is required for the manufacture of the hydraulic systems.

Seric's 01 Series Modular Valves are widely used to compose the hydraulic systems for the various industrial equipment including machine tools, special purpose machines and injection moulding machines.

The valves have standardized mounting surface conforming to ISO 4401-AB-03-4-A and optimum thickness for the stacking.

Specifications

Model Numbers
Max. Operating Pressure
MPa (PSI)
Max. Flow
L /min (U.S.GPM)
MSA-01-∗∗-50 31.5 (4570) 60 (15.9)
MSB-01-∗∗-50
MSW-01-∗∗-50

At the low differential pressure, maximum flow is limited. See "Pressure Drop at Throttle Fully Open".

Model Number Designation

F-
MSW -1 -X Y -50
Special Seals Series Number Valve Size Direction of Flow ("A" Line) Direction of Flow ("B" Line) Design Number
F: Special Seals for Phosphate Ester Type Fluids (Omit if not required) MSA : Throttle and Check Valve for A-Line 1 Y:Metre-in
X:Metre-out
50
MSB : Throttle and Check Valve for B-Line Y:Metre-in
X:Metre-out
MSW: Throttle and Check Valve for A&B-Lines Y:Metre-in
X:Metre-out
X:Metre-out Y:Metre-in
Y:Metre-in X:Metre-out

Instructions

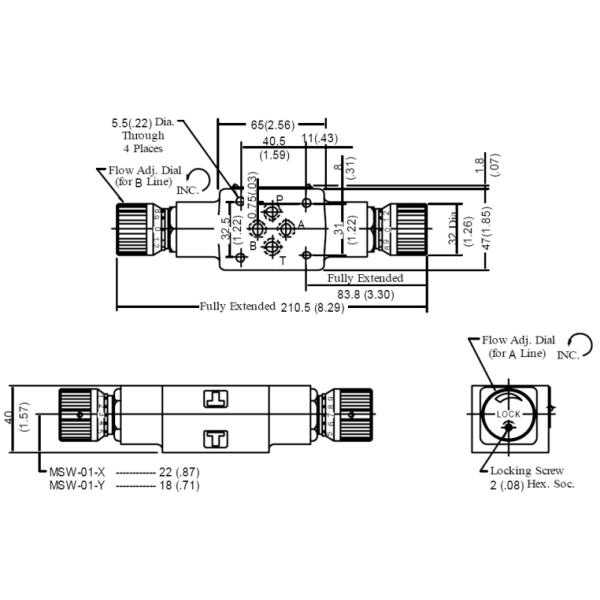
To make flow rate adjustment, loosen locking screw for the dial and turn the flow adjustment dial clockwise or anti-clockwise. For a decrease of flow, turn the dial clockwise. Be sure to re-tighten the locking screw firmly after the adjustment of the flow rate.

01 Series Modular Throttle Check Valve Hydraulic MSA-01 MSB-01 MSW-01

Typical Performance Characteristics

Hydraulic Fluid: Viscosity 35 mm²/ s (164 SSU), Specific Gravity 0.850

01 Series Modular Throttle Check Valve Hydraulic MSA-01 MSB-01 MSW-01

01 Series Modular Throttle Check Valve Hydraulic MSA-01 MSB-01 MSW-01

01 Series Modular Throttle Check Valve Hydraulic MSA-01 MSB-01 MSW-01

01 Series Modular Throttle Check Valve Hydraulic MSA-01 MSB-01 MSW-01

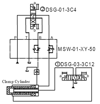
Application

Circuit of Clamp Cylinder for Injection Molding Machine

01 Series Modular Throttle Check Valve Hydraulic MSA-01 MSB-01 MSW-01

Operation Sequence

01 Series Modular Throttle Check Valve Hydraulic MSA-01 MSB-01 MSW-01

MSW-01-X-50, MSW-01-Y-50

01 Series Modular Throttle Check Valve Hydraulic MSA-01 MSB-01 MSW-01

Approx. Mas............ 1.5 kg (3.3 lbs.)

MSW-01-XY-50, MSW-01-YX-50

01 Series Modular Throttle Check Valve Hydraulic MSA-01 MSB-01 MSW-01

For other dimensions, refer to "MSW-01-X/Y " drawing above.

MSA-01-X-50, MSA-01-Y-50

01 Series Modular Throttle Check Valve Hydraulic MSA-01 MSB-01 MSW-01

Approx. Mas............. 1.3 kg (2.9 lbs.)

MSB-01-X-50, MSB-01-Y-50

01 Series Modular Throttle Check Valve Hydraulic MSA-01 MSB-01 MSW-01

Approx. Mas........... 1.3 kg (2.9 lbs.)

For other dimensions, refer to "MSW-01" drawing above.


Product Tags:

Modular Throttle Check Valve Hydraulic

      

Throttle Check Valve Hydraulic MSA-01

      

Throttle Check Valve Hydraulic MSB-01

      
Wholesale 01 Series Modular Throttle Check Valve Hydraulic MSA-01 MSB-01 MSW-01 from china suppliers

01 Series Modular Throttle Check Valve Hydraulic MSA-01 MSB-01 MSW-01 Images

Inquiry Cart 0
Send your message to this supplier
 
*From:
*To: Guangzhou Seric Hydraulic Co., Ltd.
*Subject:
*Message:
Characters Remaining: (0/3000)